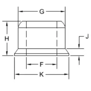
Standard / Regular Type Lock Bolt Collars
|
Regular lock bolt Collars |
|---|
|
Material: Steel / Stainless steel |
|
Finish: Zinc Plating / Natural |
|
Diameter |
F (Diameter) |
G (Diameter) |
H (Diameter) |
J (Diameter) |
K (Diameter) |
|---|---|---|---|---|---|
|
3/16 |
4.75 ~ 4.98 |
7.72 ~ 7.90 |
5.59 ~ 6.60 |
N/A |
N/A |
|
1/4 |
6.50 ~ 6.73 |
10.21 ~ 10.39 |
7.37 ~ 8.13 |
N/A |
N/A |
|
5/16 |
7.72 ~ 7.92 |
12.32 ~ 12.55 |
8.89 ~ 9.65 |
N/A |
N/A |
|
3/8 |
9.53 ~ 9.78 |
14.99 ~ 15.24 |
10.92 ~ 11.68 |
N/A |
N/A |
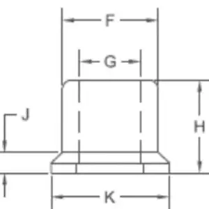
Flange lock bolt Collars
|
Flanged Collar |
Material: Steel / stainless steel |
|---|
|
Finish: Zinc Plating/ Natural |
|
Diameter |
F (Diameter) |
G (Diameter) |
H (Diameter) |
J (Diameter) |
K (Diameter) |
|---|---|---|---|---|---|
|
3/16 |
4.75 ~ 4.98 |
7.72 ~ 7.90 |
6.35 ~ 7.11 |
0.79 ~ 1.57 |
9.12 ~ 9.93 |
|
1/4 |
6.50 ~ 6.78 |
10.21 ~ 10.39 |
8.86 ~ 9.63 |
1.19 ~ 1.98 |
12.29 ~ 13.11 |
|
5/16 |
7.72 ~ 7.92 |
12.65 ~ 12.88 |
10.01 ~ 10.82 |
1.57 ~ 2.39 |
15.47 ~ 16.28 |
|
3/8 |
9.60 ~ 9.91 |
15.21 ~ 15.49 |
12.75 ~ 13.51 |
1.57 ~ 3.18 |
18.26 ~ 19.84 |
Low Profile Lock bolt Collars
|
Low Profile Collar |
|---|
|
Material: Steel / Stainless steel |
|
Finish: Zinc Plating / Natural |
|
Diameter |
F (Diameter) |
G (Diameter) |
H (Diameter) |
J (Diameter) |
K (Diameter) |
|---|---|---|---|---|---|
|
3/16 |
4.75 ~ 4.98 |
7.72 ~ 7.90 |
3.35 ~ 4.11 |
2.39 |
N/A |
|
1/4 |
6.50 ~ 6.73 |
10.21 ~ 10.39 |
4.37 ~ 5.13 |
3.18 |
N/A |
|
5/16 |
7.72 ~ 7.92 |
12.32 ~ 12.55 |
5.72 ~ 6.48 |
3.18 |
N/A |
|
3/8 |
9.53 ~ 9.78 |
14.99 ~ 15.24 |
7.49 ~ 7.87 |
3.18 |
N/A |
Standard M-Lock Collars
|
Standard Collar |
|---|
|
Material: Steel/ Stainless Steel |
|
Finish: Zinc Plating / Natural |
|
Diameter |
F (Diameter) |
G (Diameter) |
H (Diameter) |
J (Diameter) ref. |
K (Diameter) |
|---|---|---|---|---|---|
|
3/16 |
7.75 ~ 8.00 |
* |
6.78 ~ 7.19 |
1.27 |
9.14 ~ 9.91 |
|
1/4 |
10.03 ~ 10.29 |
6.35 ~ 6.60 |
9.32 ~ 9.73 |
1.57 |
12.32 ~ 13.08 |
|
5/16 |
12.70 ~ 12.95 |
7.92 ~ 8.13 |
10.87 ~ 11.38 |
1.91 |
15.37 ~ 16.38 |
|
3/8 |
15.29 ~ 15.54 |
9.53 ~ 9.78 |
12.57 ~ 13.08 |
2.36 |
18.54 ~ 19.56 |
Medium Flange M-lock Collars
|
Medium Flange Collar |
|---|
|
Material: Steel/ Stainless Steel |
|
Finish: Zinc Plating / Natural |
|
Diameter |
F (Diameter) |
G (Diameter) |
H (Diameter) |
J (Diameter) ref. |
K (Diameter) |
|---|---|---|---|---|---|
|
3/16 |
7.75 ~ 8.00 |
* |
7.54 ~ 7.70 |
2.54 |
12.45 ~ 13.72 |
Wide Flange M-lock Collars
|
Wide Flange Collar |
|---|
|
Material: Steel / Stainless Steel |
|
Finish: Zinc Plating / Natural |
|
Diameter |
F (Diameter) |
G (Diameter) |
H (Diameter) |
J (Diameter) ref. |
K (Diameter) |
|---|---|---|---|---|---|
|
3/16 |
7.75 ~ 8.00 |
* |
7.37 ~ 8.13 |
2.54 |
16.13 ~ 19.30 |
|
1/4 |
10.03 ~ 10.29 |
6.35 ~ 6.60 |
10.85 ~ 11.86 |
3.30 |
21.59 ~ 25.65 |